With this simple circuit that you will be able to control the speed of a DC fan according to the temperature measured by a temperature sensor. It is an ideal accessory for your projects that require cooling that are not constant.
This simple design allows precise speed control of motors, fans, and blowers, proportional to the temperature. An NTC thermistor (R1) is used as temperature sensor. A circuit optional was added to remotely monitor the operation of the fan and to allow some kind of indication of the approximate speed by increasing the brightness of an LED.
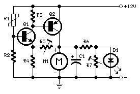
Fan Speed Control for Temperature Circuit Diagram
The R5 must be configured to allow the engine just starting to run at the desired temperature. Any 6K8 between the NTC thermistor 22K can operate provided that the R2 value is one tenth of the thermistor. R6, R7 and D1 are optional: R7 obligation is adjusted until the LED glow dimly when the engine is just running.
Parts List
R1 15K @ 20 ° C NTC Thermistor (See Notes)
R2 1K5 1/4W Resistor (See Notes)
R3 1K 1/4W Resistor
R4 270R 1/4W Resistor 1/2W
R5 22K Trimpots
R6 680R 1/4W Resistor (Optional, see Notes)
R7 470R Trimpots
C1 100μF 25V Electrolytic Capacitor
LED D1 (Optional, any shape and color, see Notes)
Q1 BC547 45V 100mA NPN Transistor
Q2 BD140 80V 1.5A PNP Transistor
M1 Fan Motor 12V 700mA max.
R1 15K @ 20 ° C NTC Thermistor (See Notes)
R2 1K5 1/4W Resistor (See Notes)
R3 1K 1/4W Resistor
R4 270R 1/4W Resistor 1/2W
R5 22K Trimpots
R6 680R 1/4W Resistor (Optional, see Notes)
R7 470R Trimpots
C1 100μF 25V Electrolytic Capacitor
LED D1 (Optional, any shape and color, see Notes)
Q1 BC547 45V 100mA NPN Transistor
Q2 BD140 80V 1.5A PNP Transistor
M1 Fan Motor 12V 700mA max.


0 comments:
Post a Comment